Обратная связь

Получить информацию о наличии товара вы можете у наших менеджеров, позвонив по телефону Также вы можете написать нам

Светодиоды: виды и схема подключения

Опубликовано: 28 Сентября 2020 32013 1
Поделиться с друзьями

Содержание статьи

  • Устройство светодиода
  • Как работает светодиод?
  • Виды и основные параметры светодиодов
  • Применение светодиодов
  • Основные правила подключения светодиодов
  • Основные характеристики светодиодов
  • Способы подключения
  • Как подключить светодиоды к сети переменного тока 220 В через блок питания
  • Способы создания схем из нескольких светодиодов – последовательное и параллельное соединение

Светодиодами называют полупроводниковые приборы, которые при подаче напряжения создают оптическое излучение. Их международное буквенное обозначение – LED (LightEmittingDiode).

Устройство светодиода

Хотя и существует множество светодиодов, самая распространённая форма состоит из 5-миллиметрового полимерного корпуса с линзой, медного или алюминиевого основания, катода, параболического рефлектора (отражателя) и кристалла, который соединяется с анодом при помощи тонкой золотой проволоки.

Устройство светодиода

Как работает светодиод?

Принцип работы изделия основывается на взаимодействии двух полупроводников, положительного и отрицательного типа (p-n-переход). Когда электрический ток проходит через полупроводники, в месте соприкосновения выделяется энергия, излучающая свет. Это обусловлено переходом от одного типа проводимости к другому, когда ионы положительно заряженных дырок соединяются с отрицательными зарядами электронов.

Виды и основные параметры светодиодов

На схеме светодиод обозначается как обычный диод с двумя параллельными стрелками, направленными наружу и указывающими на его излучающий характер. В продаже имеется большое количество типов светодиодов, которые различаются между собой функциональным назначением, конструкцией, мощностью, цветом свечения и другими свойствами.

По назначению светодиоды разделяют на два вида – индикаторные и осветительные.

Индикаторные:

  • светодиоды SMD;
  • сверхъяркие Super Flux “Piranha”;
  • DIP светодиоды (Direct In-line Package);
  • Straw Hat («соломенная шляпа»).

Осветительные:

  • COB (Chip On Board) светодиоды;
  • SMD LED;
  • филаментные (Filament LED).

Индикаторные

Индикаторные светодиоды отличаются малой мощностью и умеренной яркостью свечения. Используются для цветовой индикации режимов работы различных приборов и оборудования, а также для подсветки дисплеев и приборных щитов.

Разновидности индикаторных светодиодов:

  • DIP-светодиоды. Кристалл-излучатель находится в выводном корпусе, который чаще всего представляет собой выпуклую линзу. Минус – малый угол рассеивания излучения.
  • «Пиранья» – излучатель сверхвысокой яркости с четырьмя выводами, обеспечивающими его удобное крепление на плате. Востребован для подсветки приборов в автомобилях и в рекламных вывесках.
  • «Соломенная шляпа». Цилиндрический двухвыводный прибор со значительным углом рассеивания излучения и увеличенным диаметром линзы. Применяется в декоративных конструкциях и светосигналах тревоги.
  • SMD-светодиоды. Приборы сверхвысокой яркости располагаются в корпусах, рассчитанных на SMT-монтаж. В их маркировке указываются размеры в дюймах (их сотых долях) или в мм. На базе SMD-светодиодов изготавливаются светодиодные ленты.

Осветительные

Осветительные светодиоды встречаются в конструкции фонарей, фар, лент. Отличаются мощностью и яркостью свечения. Большинство осветительных приборов размещают в корпусах для SMT-монтажа. Изготавливаются в двух разновидностях белого цвета:

  • cool white – холодный;
  • warm white – теплый.

Осветительный SMD-светодиод представляет собой теплоотводящую подложку, на которой смонтирован излучающий кристалл, обработанный люминофорным составом.

Применение светодиодов

Такая продукция активно применяется в разных областях: световая реклама, домашние и промышленные осветительные приборы, автомобильная светотехника, светофоры и дорожные знаки, дизайн помещений, ландшафтная и архитектурная подсветка, а также многое другое.

Преимущества светодиодов:

  • значительная длительность эксплуатации;
  • экологическая безопасность;
  • высокая надежность и безотказность;
  • экономия электроэнергии;
  • высокое качество освещения;
  • низкие эксплуатационные расходы.

Основные правила подключения светодиодов

Конструкция светодиодов рассчитана на их подключение только к источникам постоянного тока с соблюдением полярности. Существует три варианта определения полярности:

  • По длине ножки (кроме SMD). Более длинная ножка является катодом, а короткая – анодом. В SMD-светодиодах имеется срез (ключ), который всегда располагается ближе к катоду.
  • С помощью мультиметра. Прибор устанавливают в режим «Прозвонка». Красный и черный щупы устанавливают на выводы. Если прибор засветился, то, значит, что красный щуп был подключен к аноду, а черный – к катоду. Если свечение не возникло, значит, надо поменять положение щупов. Если результат не изменился (свечение отсутствует), значит, прибор вышел из строя.

Основные характеристики светодиодов

Две главные характеристики, указываемы в паспорте светоизлучающего прибора:

  • Падение напряжения на приборе. Типичное значение – 3,2 В. Также для каждого светодиода существуют максимально допустимые напряжения Umax и Umaxобр – для прямого и обратного включений.
  • Номинальный ток. Обычно эти приборы рассчитаны на силу тока в 20 мА.

Способы подключения

Простейший вариант – подключение к низковольтному источнику постоянного тока.p

Самый удобный и безопасный вариант – подключить светодиод к батарейке или аккумулятору с помощью включения в схему маломощного резистора. Его функция – ограничение тока, протекающего через p-n-переход, определенным значением. Без этого элемента LED быстро утратит рабочие свойства.

Светодиоды: виды и схема подключения

Резистор выбирают по сопротивлению и мощности. Расчет сопротивления по формуле:

R = (Uпитания – Uпаспорт.)/Iном., Ом, в которой:

  • Uпитания – напряжение электропитания, В;
  • Uпаспорт. – падение напряжения, паспортное значение, В;
  • Iном. – номинальный ток.

Полученное значение округляют в большую сторону до ближайшей номинальной величины из ряда Е24. После этого рассчитывают мощность, которую должен рассеивать резистор.

P = Iном.2 х R, где R – выбранное по таблице значение сопротивления.

Провести все эти действия можно быстро и просто с использованием онлайн-калькулятора.

Как подключить светодиоды к сети переменного тока 220 В через блок питания

Существует несколько типов блоков питания:

  • Стабилизированные источники постоянного напряжения для светодиодов на 5 Вольт и 12 Вольт. При колебаниях параметров сети напряжение на выходе такого источника питания остается постоянным и равным заявленной в паспорте величине. LED-светильники подсоединяют через резисторы.
  • Драйвер – импульсный блок питания со стабилизированным током. Характеристики, которые учитывают при его выборе: максимальное и минимальное выходное напряжение, выходной (рабочий) ток. В драйвере присутствует схема, стабилизирующая ток при скачках входного напряжения 220 В. При подключении светодиодного излучателя к драйверу резистор не требуется.

Способы создания схем из нескольких светодиодов – последовательное и параллельное соединение

При подключении нескольких светоизлучающих приборов к источнику питания может использоваться два варианта соединения – последовательное и параллельное.

Последовательное

Последовательное соединение представляет цепь полупроводниковых приборов, в которой катод первого излучателя спаян с анодом следующего – и так далее. Через все элементы последовательной цепи протекает ток одного значения, а падение напряжения суммируется. Мощность БП выбирается равной или превышающей сумму мощностей каждого элемента.

последовательного соединения

Минусы последовательного соединения:

  • При значительном количестве элементов цепи необходимо выбирать БП большого вольтажа.
  • При выходе из строя одного LED-диода перестает работать вся цепь.

В длинных лентах на 60-70 диодов на каждом элементе происходит падение напряжения примерно на 3 В, то есть такие ленты можно присоединять к сети 220 В через выпрямитель.

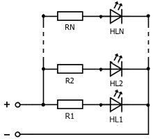
Параллельное

При параллельном подсоединении напряжение на всех элементах цепи будет равным, а суммируются токи каждого LED. Основная проблема в данном случае состоит в том, что LED-светильники, даже из одной партии, часто имеют различные характеристики. Поэтому, если поставить один общий резистор, на лампочки может подаваться ток разного значения, вследствие чего некоторые элементы будут светить слишком ярко, а некоторые – тускло. Решение проблемы – установка отдельных резисторов для каждого диода.

Схема параллельного соединения

Минусы параллельного подключения:

  • большое количество элементов цепи из-за необходимости использования индивидуальных резисторов для каждого диода;
  • существенный рост нагрузки при перегорании одного LED-диода (если используется один мощный резистор на всю цепь).

Смешанное

Это самый подходящий вариант соединения светодиодов, поскольку он позволяет хотя бы частично скомпенсировать недостатки последовательного и параллельного подключений. В этом случае параллельно соединяются цепочки последовательно расположенных элементов. Этот способ применяется в современных елочных гирляндах или лентах. Преимущество такого решения: если даже выйдут из строя одна или несколько параллельных цепочек, остальные будут исправно светить.

Схема смешанного соединения


Оцените статью

(0)
Что вам не понравилось?


Анатолий Мельник
Специалист в области радиоэлектроники и электронных компонентов. Консультант по подбору деталей в компании РадиоЭлемент.

Комментарии

александр
03.03.2022
схем принципиальных подключения нет(особенно для светодиодов с тремя выводами)
Специалист Анатолий Мельник
Спасибо за комментарий, мы учли ваши замечания
Добавить комментарий

Возврат к списку

X
Заказать обратный звонок Ваше имя: Телефон: Дата: Время звонка: Комментарий:
Ваша заявка отправлена!